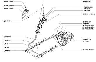
Кулиса BAW (Бав) Fenix 1044 BP10441720002
Арт: BP10441720002
BAW
3 000 руб
Нет в наличии
— под заказ
Характеристики
- Марка
- BAW
- Применяемость
- BAW (Бав) 1044, BAW (Бав) 1065
- Альт. название
- Кронштейн кожуха рычага КПП
- Кол-во в авто
- 1 шт.
- Группа
- 17 Гр. Коробка передач
- Артикул
- BP10441720002
- Вес
- 2.6 кг
- Штрихкод
- 2000121851824
Описание товара
Кулиса BAW (Бав) Fenix 1044, артикул BP10441720002 — тяга механизма переключения передач коробки КПП. Обеспечивает чёткое и плавное включение передач при эксплуатации автомобиля. Изготовлена с допусками, соответствующими заводским требованиям Бав Fenix 1044. Представлено в каталоге ГК Росса (Новосибирск), доставка по всей России.
Кулиса BAW (Бав) Fenix 1044 BP10441720002 — под заказ
Нажмите «Заказать» и заполните форму. Менеджер свяжется с вами для уточнения наличия, цены и сроков. Срок поставки от 4 рабочих дней (контейнер 1–3 месяца).
Проверьте артикул BP10441720002 на своей детали перед заказом.
