Перейти к содержимому
Заказать обратный звонок

Вы можете оставить заявку на обратный звонок в удобное для вас время. Наш менеджер обязательно свяжется с вами.





ГК Росса

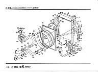
Каталог схем 13 Гр. Охлаждение